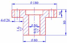
一、铸件毛坯图
在零件图的基础上根据工艺要求添加适当的加工余量,并去掉机加产生孔和沟槽(形象地说就是把机加工切除的那部分还回去)。
用双点划线画出零件轮廓;剖面图中加工余量、不铸孔及沟槽用正方形网纹线(即零件原有剖面线上附加与之垂直的剖面线而成);毛坯轮廓用粗实线。用细实线画出分型面,并标注“上”“下”字样,以说明浇注位置。
标注:①只标注特殊铸造圆角和起模斜度,相同的统一在技术要求中说明。②尺寸标注:方法一标注零件尺寸,向外标注加工余量;方法二标注铸件尺寸,向内标注加工余量。
第一步 加工余量
1.根据工艺方法(手工造型、机器造型)和材料(铸钢、灰铁、球铁、可铁、铜、锌)查手册确定:

①加工余量等级:A、B、C、D、E、F、G、H、J、K共十级,其中常用的为C~K;
②公差等级:CT1~CT16,常用的为CT4~CT13;
2.根据零件基本尺寸、加工余量等级、公差等级查手册确定加工余量。

第二步 铸件的公差
根据铸件基本尺寸、公差等级查手册确定铸件尺寸公差数值。

第三步 铸造圆角
根据铸造方法(砂型、金属型、压力铸造、熔模铸造)和材料(铝、镁、铜、锌、黑色金属)查手册确定最小圆角半径。
为了便于制造,半径应尽可能统一。一般,砂型和金属型取R3或R5,压铸件取R1或R2。

第四步 最小孔径
根据铸造方法和生产批量确定最小孔径尺寸。

第五步 起模斜度
首先选定起模斜度的形式,然后查表确定起模斜度值。


例如:
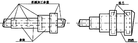
锻件毛坯图:在零件图的基础上,考虑到机加工余量、锻造公差、工艺余块、圆角半径、拔模斜度及相应的技术要求等绘制。

![]()

二、锻件毛坯图
在零件图的基础上,考虑到机加工余量、锻造公差、工艺余块、圆角半径、拔模斜度及相应的技术要求等绘制。
1、自由锻件
GB/T 21469-2008![]()

自由锻件毛坯图




二、模锻件
第一步:加工余量
①公差等级:普通级
②估算锻件重量:根据零件的重量估算锻件毛坯的重量,如:已知机械加工后拨叉件的重量为2kg,由此可初步估计机械加工前锻件毛坯的重量为3kg
③计算锻件形状复杂系数:S1(简单),S2(一般),S3(较复杂),S4(复杂)
④材质系数:如,拨叉材料为45钢,碳的质量分数小于0.65%,故该锻件的材质系数属M1级
⑤分模线形状:如,拨叉选择零件高度方向的对称平面为分模面,属平直分模线
⑥零件表面粗糙度:如,由零件图可知,拨叉各加工表面的粗糙度Ra均大于等于1.6之后查手册确定各个方向的加工余量
第二步:拔模斜度
外模锻斜度:锻件在冷缩时趋向离开模壁的部分,用α表示,一般α=5度内模锻斜度:锻件在冷缩时趋向贴紧模壁的部分,用β表示,一般β=α+2~3
第三步:圆角半径
外圆角半径r=3~5
内圆角半径R=6~10
第四步:最小孔径
锻件最小冲孔直径大于等于30mm
例如
模锻件毛坯图:

离合齿轮毛坯图
消息,据BitcoinTreasuries发推称:最新月度报告显示,超过10家主要机构和共同基金目前持有至少...
2 Avalanche 的业务主管表示,加密货币必须成Avalanche 的产品负责人 Nicky Nahas 表示,该区块链平台正从泛泛的加密货币叙事转向专为企业打造...
3 分析师:伊朗新任最高领袖表态强硬,没消息,3 月 12 日,分析师 Dara Doyle, 表示,市场将新任最高领袖穆杰塔巴哈梅内伊的言论解读为...
4 七国集团外长将于3月24日至25日在巴黎举3月12日消息,加拿大外长:七国集团外长将于3月24日至25日在巴黎举行会议,就推动外交努力以...
5 特朗普支持3000亿美元美国炼油厂项目后,在特朗普总统宣布信实工业公司将投资3000亿美元在德克萨斯州兴建炼油厂项目后,该公司股价...
6 比特币价格突破7万美元,以太坊、瑞波币比特币价格在7万美元附近徘徊,此前其ETF净流入1.152亿美元,而以太坊ETF则吸引了5700万美元。...
7 RIVER 价格飙升 24%,价值 100 万美元的代币RIVER 代币价格在过去 24 小时内飙升近 24%,成为表现最佳的加密货币之一。此前,该项目宣布其...
8 富途控股公布2025年Q4及全年业绩:Q4营收3月12日消息,据富途控股公告,2025年第四季度营收64.38亿港元,同比增长45.3%;Non-GAAP净利润...
9 2个高胜率地址投入1.5万美元,押注「美伊消息,据 PolyBeats 监测,在预测市场 Polymarket 上,过去一日内,有两个高胜率地址共投入 1.5 万...
10 某新钱包1小时内从币安提取20万枚SOL,价消息,据 The Data Nerd 监测,某新钱包在过去 1 小时内从币安总共提取了 20 万枚 SOL,价值约 1...
成都来彰科技 蜀ICP备2025134723号-1
资讯来源互联网,如有版权问题请联系管理员删除。