当前位置:主页 > 快讯 >

钣金件结构设计准则

时间:2020-10-29 19:34:34

  

1引言

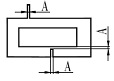
   薄板指板厚和其长宽相比小得多的钢板。它的横向抗弯能力差,不宜用于受横向弯曲载荷作用的场合。薄板就其材料而言是金属,但因其特殊的几何形状厚度很小,所以薄板构件的加工工艺有其特殊性。和薄板构件有关的加工工艺有三类:(1)下料:它包括剪切和冲裁。(2)成形:它包括弯曲、折叠、卷边和深拉。(3)连接:它包括焊接、粘接等。薄板构件的结构设计主要应考虑加工工艺的要求和特点。此外,要注意构件的批量大小。 薄板构件之所以被广泛采用是因为薄板有下列优点: (1)易变形,这样可用简单的加工工艺制造多种形式的构件。 (2)薄板构件重量轻。 (3)加工量小,由于薄板表面质量高,厚度方向尺寸公差小,板面不需加工。 (4)易于裁剪、焊接,可制造大而复杂的构件。 (5)形状规范,便于自动加工。 2结构设计准则 在设计产品零件时,必须考虑到容易制造的问题。尽量想一些方法既能使加工容易,又能使材料节约,还能使强度增加,又不出废品。为此设计人员应该注意以下制造方面事项。 钣金件的工艺性是指零件在冲切、弯曲、拉伸加工中的难易程度。良好的工艺应保证材料消耗少,工序数目少,模具结构简单,使用寿命高,产品质量稳定。在一般情况下,对钣金件工艺性影响最大的是材料的性能、零件的几何形状、尺寸和精度要求。 如何在薄板构件结构设计时充分考虑加工工艺的要求和特点,这里推荐几条设计准则。 2.1简单形状准则 切割面几何形状越简单,切割下料越方便、简单、切割的路径越短,切割量也越小。如直线比曲线简单,圆比椭圆及其它高阶曲线简单,规则图形比不规则图形简单(见图1)。 钣金件结构设计准则 (a)不合理结构(b)改进结构 图1 图2a的结构只有在批量大时方有意义,否则冲裁时,切割麻烦,因此,小批量生产时,宜用图b所示结构。 钣金件结构设计准则 (a)不合理结构(b)改进结构 图2 2.2节省原料准则(冲切件的构型准则) 节省原材料意味着减少制造成本。零碎的下角料常作废料处理,因此在薄板构件的设计中,要尽量减少下脚料。冲切弃料最少以减少料的浪费。特别在批量大的构件下料时效果显著,减少下角料的途径有: (1)减少相邻两构件之间的距离(见图3)。 钣金件结构设计准则 (a)不合理结构(b)改进结构 图3 (2)巧妙排列(见图4)。 钣金件结构设计准则 (a)不合理结构(b)改进结构 图4 (3)将大平面处的材料取出用于更小的构件(见图5)。 钣金件结构设计准则 (a)不合理结构(b)改进结构 图5 2.3足够强度刚度准则 ⑴、带斜边的折弯边应避开变形区 钣金件结构设计准则 ⑵.两孔之间的距离若太小,则在切割时有产生裂纹的可能。 零件上冲孔设计应考虑留有合适的孔边距和孔间距以免冲裂。零件的冲孔边缘离外形的最小距离随零件与孔的形状不同有一定的限制。当冲孔边缘与零件外形边缘不平行时,该最小距离应不小于材料厚度t;平行时,应不小于1.5t。最小孔边距和孔间距见表。 钣金件结构设计准则 模具制作上以圆孔最坚固好制造维修,唯开孔率较低。 以正方形孔开孔率最高,但因是90度角,角边容易磨损崩塌,造成要修模而停线.而六角形的开孔其大于90度的120度角比正方形孔开孔更坚固但开孔率在边缘比正方形孔差一点。 ⑶.细长的板条刚度低,也易在剪裁时产生裂纹,特别是对刀具的磨损严重。 冲裁件的凸出或凹入部分的深度和宽度,一般情况下,应不小于1.5t(t为料厚),同时应该避免窄长的切口与和过窄的切槽,以便增大模具相应部位的刃口强度。见图3.3.1。 钣金件结构设计准则 对一般钢A≥1.5t;对合金钢A≥2t;对黄铜、铝A≥1.2t;t—材料厚度。

热点推荐
1 火币 HTX OTC 业务荣膺 Blockchain Forum Awards

消息,据官方消息,在 2026 年莫斯科 Blockchain Forum 大会期间,Blockchain Forum Awards 2026 各大奖项归...

2 欧盟委员会初步认定元宇宙平台公司调整

消息,欧盟委员会发布公报称,已向美国元宇宙平台公司发出补充异议声明,初步认定该公司...

3 CZ谈投资逻辑:投资也是投人,熊市更易

消息,CZ 在今日 AMA 中针对当年很多 VC 错过了币安投资,币安现在的投资如何避免错过下一个...

4 美债代币化市值突破130亿美元

消息,据吴说区块链发推称:代币化美国国债市值突破130亿美元,Circle、Securitize、Ondo Finance等...

5 币安推出内置社交功能Binance Chat

消息,据官方公告,币安于 2026 年 4 月 15 日正式推出内置社交功能 BinanceChat。该功能将实时社...

6 AI初创公司Hilbert完成2800万美元A轮融资,

消息,人工智能初创公司 Hilbert 宣布完成 2800 万美元 A 轮融资,风投 Andreessen Horowitz 领投。H...

7 特朗普:希望沃什下周能获得美联储主席

消息,特朗普谈及美联储时表示:我希望沃什下周能获得确认,沃什上任后,利率可能会下降...

8 CZ称币安因市场主导地位与华裔身份成拜

消息,据吴说区块链发推称:币安创始人赵长鹏表示,其因交易所的市场主导地位及个人华裔...

9 交易员Killa:这将是本周期最后一次波段

消息,交易员 Killa 在 X 平台发文表示,这将是其本周期最后一次波段做空 BTC。其表示要么触发...

10 麦通MSX总交易量突破300亿美元,同时推出

消息,美股代币交易平台麦通 MSX 官网数据显示,平台成立一年来,总交易量已正式突破 300 亿...

成都来彰科技 蜀ICP备2025134723号-1

资讯来源互联网,如有版权问题请联系管理员删除。