第一讲 一、教学目标 (一)能力目标 能计算定轴轮系的传动比及齿轮的转速,并会判断其转向 (二)知识目标 1.了解轮系的类型 2.掌握定轴轮系传动比的计算及转向判断 二、教学内容 1.轮系的功用和分类
2.定轴轮系的传动比 三、教学的重点与难点 重点:定轴轮系传动比的计算。 难点:定轴轮系的转向判别。 四、教学方法与手段 采用多媒体教学(加动画演示),讲授时联系实际,便于学生接受。 12.1 定轴轮系及其传动比计算 轮系:用一系列互相啮合的齿轮将主动轴和从动轴连接起来,这种多齿轮的传动装置称为轮系。 功用:获得多种转速;实现较远轴之间的运动和动力的传递;获得较大的传动比;实现运动的合成与分解。 
平面定轴轮系 空间定轴轮系 分类:按轮系中各齿轮轴线是否相互平行,可分为平面齿轮系和空间齿轮系;按轮系运转时齿轮的轴线是否固定,又可分为定轴轮系和行星轮系。 在运转过程中,各轮几何轴线的位置相对于机架是固定不动的轮系称为定轴轮系。定轴轮系又可分为平面定轴轮系和空间定轴轮系。 12.1.1平面定轴轮系传动比的计算 若A——输入轴 B——输出轴,则轮系传动比为
一对外啮合圆柱齿轮传动比i12=n1/n2=-z2/z1 一对内啮合圆柱齿轮传动比i12=n1/n2=+z2/z1 圆锥齿轮传动比i12=n1/n2=z2/z1,转向用箭头标注法。 ![]()
![]()
![]()
![]()
![]()
![]()
![]()
4——惰轮:不改变传动比的大小,但改变轮系的转向 结论:平面定轴轮系传动比等于组成轮系的各对齿轮传动比的连乘积,也等于从动轮齿数的连乘积与主动轮齿数连乘积之比。首末两轮的转向,取决于齿轮系中外啮合齿轮的对数。 通式:
m——外啮合的次数 12.1.2空间定轴轮系传动比的计算
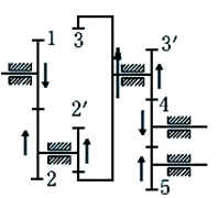
转向关系用箭头表示 例12.1 图中,设蜗杆1为右旋,转向如图所示,
,
,
,
,
,
,
,
。若蜗杆转速
,求内齿轮5的转速
和转向。
• 解:轮系传动比的大小
• 所以:
蜗杆轴的转向n1是给定的,按传动系统路线依次用箭头标出各级传动的转向,最后获得
的转向。 小结: 1、轮系的类型。 2、定轴轮系传动比的计算及转向判断。 作业与思考: 1、什么是惰轮?它在轮系中起什么作用? 2、在定轴轮系中,如何来确定首、末两轮转向间的关系? 3、定轴轮系与行星轮系的主要区别是什么? 4、轮系中各齿轮的转向如何确定?
消息,4 月 21 日,美联储主席提名人沃什表示,不相信前瞻指引。资产负债表与利率政策应协...
2 特朗普提名美联储主席听证会今早举行消息,据Eleanor Terrett发推称:特朗普提名的美联储主席候选人凯文沃什今早在参议院银行委员...
3 Ethena转移2亿美元USDC至未知钱包消息,据Whale Alert发推称:2 亿枚 USDC 从 Ethena 协议转入未知钱包,价值约 2 亿美元。...
4 美 SEC 主席:拟推出“创新豁免”机制,消息,美国 SEC 主席 Paul Atkins 在华盛顿经济俱乐部发表就职一周年演讲,SEC 正推进数字资产监...
5 微策略2026年已购62.8%比特币目标消息,据BitcoinTreasuries发推称:微策略公司已在2026年前110天完成2025年比特币增持计划的62.8%。...
6 特朗普支持加息抗通胀但主张维持全球最消息,据美联储传声筒Nick Timiraos发推称:特朗普表示支持加息以对抗通胀,但认为美国应拥有...
7 Kelp DAO攻击者转移2.57万ETH至新钱包消息,据Whale Alert发推称:Kelp DAO 攻击者将 2.57 万枚 ETH转移至一个未知的新钱包地址。...
8 特朗普施压降息,沃什面临考验消息,据美联储传声筒Nick Timiraos发推称:特朗普提名美联储理事候选人沃什的听证会即将举行...
9 WEEX 开启 SVT 零手续费,交易瓜分 3 万 U消息,WEEX 唯客交易所公告,现已开启 SVT 0 费率活动,用户交易 SVT 可瓜分 30,000 USDT 奖池。活...
10 菲律宾 SEC 警告 dYdX 等七家加密平台未经消息,4 月 21 日,菲律宾证券交易委员会发布投资者警告,提醒公众不要在 dYdX 等七家加密交...
成都来彰科技 蜀ICP备2025134723号-1
资讯来源互联网,如有版权问题请联系管理员删除。