一 、直流电机的用途
直流电动机的优点:
1 调速范围广,易于平滑调节
2 过载、启动、制动转矩大
3 易于控制,可靠性高
4 调速时的能量损耗较小
缺点:换向困难,维修比较麻烦,制造成本高(与相同功率的交流异步电机比较。

应用:机床方面的应用:龙门刨床、导轨磨床、龙门铣床等设备的工作驱动电机,导轨磨床、镗床、铣床等设备的主轴电机;
轧钢机、电车、电气铁道牵引、造纸、纺织拖动;
直流发电机:用作电解、电镀、电冶炼、充电、交流发电机励磁等的直流电源。
二、直流电机的工作原理
原理:任何电机的工作原理都是建立在电磁感应和电磁力这个基础上。
1、直流电机的工作原理
工作原理:导体在磁场中运动时,导体中会感应出电势e; e=B×l×v;
B:磁密
L:导体长度;
V:导体与磁场的相对速度。
正方向:用右手定则判断。电势e正方向表示电位升高的方向,与U相反。如果同一元件上e和U正方向相同时,e= -U。


理解:电磁感应原理的变形(变化的磁通产生感应电动势)
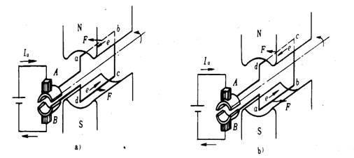
3、直流电动机的工作原理图。
(1)构成:
磁场:图中 N和 S是一对静止的磁极,用以产生磁场,其磁感应强度沿圆周为正弦分布。
励磁绕组——容量较小的发电机是用永久磁铁做磁极的。容量较大的发电机的磁场是由直流电流通过绕在磁极铁心上的绕组产生的。用来形成N极和S极的绕组称为励磁绕组,励磁绕组中的电流称为励磁电流If。
电枢绕组:在N极和 S极之间,有一个能绕轴旋转的圆柱形铁心,其上紧绕着一个线圈称为电枢绕组(图中只画出一匝线圈),电枢绕组中的电流称为电枢电流Ia。
换向器:电枢绕组两端分别接在两个相互绝缘而和绕组同轴旋转的半圆形铜片——换向片上,组成一个换向器。换向器上压着固定不动的炭质电刷。
电枢:铁心、电枢绕组和换向器所组成的旋转部分称为电枢。

电动机向负载输出机械功率的同时,却向电动机输入电功率,电动机起着将电能转换为机械能的作用。
能量转换:
电能->电磁转矩->负载(机械能)
3、电机的结构要求:
1 电磁要求: 产生磁场,感应出电动势,通过电流,产生电磁转矩
2 机械要求:传递转矩,保持坚固稳定,冷却的要求,检修,运行可靠。

一)定子
定子的作用是产生磁场和作为电机机械支撑。它由主磁极、换向磁极、电刷、机座、端盖和轴承等组成
二)转子
转子又称电枢,是电机的旋转部分。它由电枢铁心、绕组、换向器等组成。
三)铭牌和额定值
为了使电机安全而有效地运行,制造厂对电机的工作条件都加以技术规定。按照规定的工作条件进行运行的状态叫做额定工作状态。电机在额定工作时的各种技术数据叫做额定值,一般加下标 e表示。这些额定值都列在电机的铭牌上,使用电机前,应熟悉铭牌。使用中的实际值,一般不应超过铭牌所规定的额定值。
(一)型号:它表示电机的类别。例如:Z2--12
Z:直流;2:设计序号;1:铁心长度;2:机座号
(二)额定电流Ie:指电源输入到电动机的允许电流。
(三)额定电压Ue:指输入到电动机上的允许电压。
(四)额定转速ne: 这是指电机在额定工作状态时,应达到的转速。
(五)额定功率(额定容量) Pe:指在额定电压、额定电流和额定转速下,电动机轴上输出的机械功率Pe=Ue×Ie×ηe
(六)额定效率ηe:额定功率与输入功率之比,称为电机的额定效率,即ηe=(额定功率/输入功率)×100 %
直流电机的励磁方式
按励磁方式不同,电机可分为
(一)他励直流电机 电枢和励磁绕组由两个独立的直流电源供电。
(二)并励直流电机 电枢和励磁绕组并联后由一个独立的直流电源供电。
(三)串励直流电机 电枢和励磁绕组串联后由一个独立的直流电源
供电
(四)复励直流电机 复励电机有两个绕组,一个并励绕组,一个串励绕组,并励绕组和电枢并联,和串励绕组串联后由一个独立的直流电源供电。

直流电机调速特性
一)直流电机的转速公式:

:电机磁通量,与励磁电流有关;
:电枢回路电阻;
:电机的扭矩;
:电枢电压;
问题:直流电机调速的方式有几种?
二)直流电机的机械特性


目前我们使用的直流调速器主要通过上述哪些方式进行调速?
你所知道的哪些设备是采用这种方式进行启动的?为什么要采用这种启动方式?有什么好处?

三)他励直流电机的能耗制动:

直流调速器基本原理功能
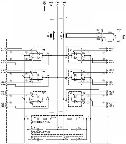
一、直流电机调速器的工作原理
4Q系列三相交流电源电枢回路控制框图:

通过对大功率晶闸管的导通角的控制,将交流电整流为所需的直流电,提供给直流电动机使用;上图为三相全桥整流,4Q(4象限运行)动力部分基本原理图;可实现回馈制动功能;
单相交流电源供电原理与上图基本相同,上图中减少一对晶闸管即可;(单相供电主要应用于小功率驱动器)
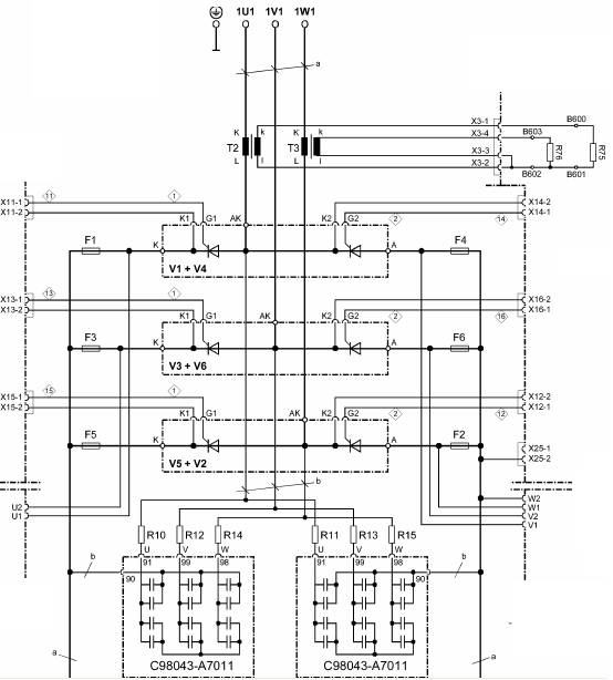
1Q系列三相交流电源电枢回路控制框图:

上图为三相全桥整流,1Q(1)象限运行)动力部分基本原理图;(与4Q相比较,j减少使用6只晶闸管);没有回馈制动功能;

励磁回路控制原理图,通过控制两只晶闸管的导通角,可以控制输出的直流电压;
直流调速器从控制核心的角度分为:模拟控制和数字控制;
模拟式直流调速器的特点:电路简单,价格较为便宜,性价比较好,但参数可调整的较少,调整参数不直观,更多的凭经验办事,且无法直观了解调速器的运行状态;
数字式直流调速器的特点:功能强大,价格较同规格的模拟式产品贵,参数调整较为方便、故障诊断功能强大;调速稳定性好,不会因为时间长而发生信号漂移的问题;
直流调速器主要以调节上述两个指标为整个控制目标,(在选型时可根据需要选择是否带励磁控制功能;)
调速的基本原则:
A、在额定转速下,以调节电枢电压的目标;(在该速度段,电机可输出最大的扭矩)
B、 当直流电动机需要运行在高于额定转速情况时,设置电枢电压上升到设定的最大值后,通过减少励磁电流来达到提高转速的目的;(在该速度段,电机的最大输出扭矩随转速的提升而下降)
消息,贸易商警告称,霍尔木兹海峡运输受阻正加剧全球粮食危机风险。天然气价格上涨挤压...
2 中信建投:霍尔木兹扰动未完 油运上行逻消息,中信建投研报指出,霍尔木兹海峡局势反复,表明本轮事件对油运市场的影响正按三阶...
3 Cursor与SpaceX合作,旨在加速模型训练进程消息,4 月 22 日,Cursor宣布与SpaceX合作,以加速其模型训练进程。此前,该公司在不到六个月...
4 GLM5.1 REAP系列模型发布,提供多种量化与消息,4 月 22 日,近日,基于7440亿参数BF16模型GLM-5.1,GLM-5.1 REAP系列模型发布。该系列通过R...
5 BTC 跌破 75000 美元, 24H跌幅达 1.2%,现报消息,4 月 22 日,据 CoinMarketCap 行情数据显示,BTC跌破75000 美元,现报价 74900 美元, 24H跌幅达...
6 Ripple转移5000万XRP至未知钱包消息,据Whale Alert发推称:Ripple 向未知钱包转移 5000 万枚 XRP,价值约 7149.21 万美元。...
7 美联储主席提名人凯文沃什就潜在利益冲消息,美联储主席提名人 Kevin Warsh 在参议院银行业委员会确认听证会上,就其超过 1 亿美金的...
8 Tether向未知钱包转移2.1亿USDT消息,据Whale Alert发推称:Tether Treasury 向未知钱包转移了 2.10 亿枚 USDT,价值约 2.10 亿美元。...
9 CNN:万斯前往巴基斯坦的具体时间仍不确目前尚不清楚美国副总统万斯何时会离开华盛顿前往巴基斯坦。白宫计划在周二举行进一步会...
10 美联储主席提名人沃什:不相信前瞻指引消息,4 月 21 日,美联储主席提名人沃什表示,不相信前瞻指引。资产负债表与利率政策应协...
成都来彰科技 蜀ICP备2025134723号-1
资讯来源互联网,如有版权问题请联系管理员删除。