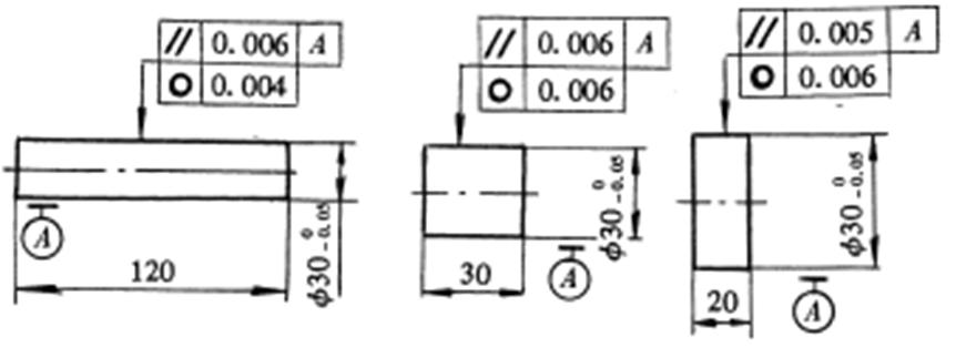
形位公差间关系: 形位公差项目中虽然概念不同,但有些相互之间却有密切联系,有些项目比较相似或受其他项目控制,有些是单项公差,有些属于综合公差,在一定的条件下可以互相取代应用。 (一)形状公差 1、圆柱度、直线度、圆度 圆柱度是限制实际圆柱面对理想圆柱面变动量的一项指标。它的公差带是以公差值t为半径差的两个同轴圆柱面之间的区域。它控制了圆柱体横剖面和轴剖面内的各项形状公差,诸如圆度、轴线直线度,素线直线度等。 使用时,一般标注了圆柱度就没有必要再标注圆度,直线度。如果一定要单独标注圆度、直线度,则其公差值必须小于圆柱度公差值(见下图),以表示设计上对径向或轴向形状公差提出进一步要求。
通常,圆柱度误差用圆度仪或配备计算机的三坐标测量装置检测,如果没有这些装置,最好不要使用圆柱度,可分别用圆度和圆柱面素线的平行度来代替使用(见下图)。
用圆度和平行度来代替圆柱度时,应根据圆柱体的长径比确定圆度公差值与平行度公差值 当圆柱体长度大于其直径时,素线平行度公差值必须相应大于其圆度公差值(见图a)。 当圆柱体长度等于其直径时,素线平行度公差值与其圆度公差值也应相等(见图b)。 当圆柱体长度小于其直径时,素线平行度公差值必须相应小于其圆度公差值(见图c)。 
a)L>D b)L=D c)L<D 2、圆度、线轮廓度 圆度是限制实际圆对理想圆变动量的一项指标,其公差带是以公差值t为半径差的两同心圆之间的区域。 线轮廓度是限制实际曲线对理想曲线变动量的一项指标,其公差带是包络一系列直径为公差t的圆的两包络线之间的区域,诸圆圆心应位于理想轮廓线上。 从线轮廓度公差带(见图4b)可见,线轮廓度不仅要求它的轮廓形状正确,还有一定的尺寸要求,即它的理想形状与尺寸有关,类似于尺寸偏差。 而圆度则不然,它只限制两同心圆的半径之差,至于两同心圆的直径大小没有要求,两同心圆的位置不确定。所以,标注了线轮廓度可以得到类似于采用包容原则的效果(如图c实际曲线必须位于直径为79.9mm与80.1mm的两个同心圆之间)。图a与图c标注的效果实际是一样的。
众所周知,包容原则应用于单一要素时能综合控制圆柱孔或轴的纵、横截面的各种形状误差,其中包括圆度误差。所以标注了线轮廓度就可以完全控制圆度误差,而不必标注圆度,即线轮廓度可以取代圆度使用。 一般对于圆曲线使用圆度比较直观、明确,尤其是在实际生产中测量圆度广泛采用两点、三点法极为方便。而线轮廓度则专用于非圆曲线。 (二)、位置公差与形状公差 零件被测要素的实际位置、方向总是和它的实际形状紧密联系在一起的。为了操作方便起见,不论用综合量规检验还是用指示式量仪测量,一般都直接在被测量要素的轮廓表面进行。所以位置误差是实际位置和实际形状所产生的综合效果,即测得的位置误差中包含了形状误差。所以通常同一要素给出的形状公差值应小于位置公差值(见图)。
(三)、定向位置公差与定位位置公差 定向公差与定位公差的关系如同位置公差与形状公差关系一样,通常定位公差可以控制定向要求,因为被测实际要素在定位公差带内不仅其位置公差变化(平移)受到控制,同时方向变化(角位移)亦受到控制。 1、同轴度、平行度 如图6中两孔轴线同轴度公差完全可以控制两轴线的平行度要求,因其控制了被测轴线对基准的平移、倾斜或弯曲,所以不必再标注两孔轴线平行度。
2、位置度与垂直度 位置度是一项综合公差。如图所示,两孔轴线的直线度及两孔轴线对基准面的垂直度可由位置度综合控制,没有必要再重复标注。
3、定位公差(位置度、同轴度、对称度) 所有定位公差的项目可由位置度来取代标注(见图8、图9)。 图8及图9中的a)与b)具有同样的控制效果,公差带形状及检测方法相同。 因此完全可以用位置度取代同轴度和对称度。 由于在生产中对上述情况标注同轴度和对称度比标注位置度更直观明确,所以图样上标注同轴度和对称度更恰当,而位置度通常用于限制点、线的位置误差。
图8 位置度综合控制同轴度
图9 位置度综合控制对称度 (四)、各种跳动 1、径向圆跳动与径向全跳动 径向圆跳动的公差带是垂直于基准轴线的任意的测量平面内半径差为公差值t,且圆心在基准轴线上的两个同心圆之间的区域(见图10a),其公差带限制在两坐标(平面坐标)范围内。 径向全跳动的公差带是半径为公差值t,且与基准轴线同轴的两圆柱面之间的区域(见图10b),其公差带限制在三坐标(空间坐标)范围内。
图10 径向圆跳动与径向全跳动 由于径向全跳动测量比较复杂,所以经常用测量径向圆跳动来限制径向全跳动。必须指出,在用测量径向圆跳动代替径向全跳动时,应保证被测量圆柱面上的母线对基准轴线的平行度,或者是被测量圆柱面的轴向尺寸较小,并借助于工艺方法可以保证母线对基准轴线平行度误差不大时,方可应用。为确保产品质量,应使径向圆跳动误差值与母线对基准轴线的平行度误差之和小于或等于所要求的径向全跳动公差值。 2、端面圆跳动与端面全跳动 端面圆跳动的公差带是在与基准轴线同轴的任一直径位置的测量圆柱面上沿母线方向宽度为t的圆柱面区域(见图11a)。 端面全跳动的公差带是垂直于基准轴线,距离为公差值t的两平行平面之间的区域(见图11b)。
图11 端面圆跳动与端面全跳动
图12 用端面圆跳动控制端面全跳动 显然端面圆跳动仅仅是端面全跳动的一部分,两者作用效果是不同的。应该根据功能要求来确定是标注端面全跳动还是端面圆跳动。通常,只有当端面的平面度足够小时,才能用端面圆跳动代替端面全跳动。例如,对于安装轴承的轴肩,因其径向尺寸(d1-d2)较小,可以用控制端面圆跳动误差来达到控制端面全跳动的目的(见图12)。 3、径向圆跳动与斜向圆跳动 对于圆锥表面和对称回转轴线的成形表面一般应标注斜向圆跳动。只有当锥面锥角较小时(如a≤10°)才可标注径向圆跳动代替斜向圆跳动,以便于检测。
如图所示,设径向圆跳动误差为H,斜向圆跳动误差为h,则:h=Hcosa。 (五)、跳动公差与其他形位公差 1、径向圆跳动、圆度、同轴度 径向圆跳动是一项综合性公差,它不仅控制了同轴度误差,同时也包含了圆度误差。 当被测圆柱面的轴线与基准线同轴时,由于被测要素存在圆度误差,因此会出现径向圆跳动误差;当被测要素为理想圆,但存在同轴度误差时,也会出现径向圆跳动误差。由此可见,只要存在同轴度或圆度误差,则必然存在径向圆跳动误差,反之则不一定。 由于径向圆跳动误差检测较方便,因此,在生产中常常以径向圆跳动代替同轴度公差。对同一被测要素,标注了径向圆跳动后就不必再标注同轴度或圆度(见下图),否则,同轴度公差值必须小于跳动公差值。
2、端面圆跳动、端面全跳动、端面垂直度、平面度 a)、端面圆跳动和端面垂直度 端面垂直度限制整个端面对基准轴线的垂直情况。公差带是垂直于基准轴线两平行平面之间的区域,它不仅限制了整个被测端面对基准轴线的垂直度误差,也限制了整个被测端面的平面度误差。而端面圆跳动仅仅限制被测圆周上各点的位置误差和在该圆周上沿轴向的形状误差,而不控制整个端面的平面度误差和垂直度误差。 当被测端面对基准轴线存在端面圆跳动误差时,则被测端面必然存在垂直度误差,反之,当端面存在垂直度误差时,端面圆跳动误差却可能为零(见下图),此时存在端面平面度误差。 所以,标注端面垂直度公差可以控制端面圆跳动和端面平面度误差。
在设计时,对一般起固定联接作用的端面,应优先采用端面圆跳动公差,因为这样检测方便,例如,安装滚动轴承的轴肩,齿轮坯端面等。当对加工定位作用比较重要的端面,应采用垂直度公差,以便同时控制平面度误差。如车床花盘端面、立车工作台面等。 b)、端面全跳动和端面垂直度 端面全跳动和端面垂直度公差对被测要素的控制是完全相同的,两者可以相互取代,也可以采用相同检测方法。 在生产中,端面全跳动用于工件能够(方便地)围绕基准中心线回转的工件,如一般的轴类零件。而箱体类零件的端面与孔中心线通常标注垂直度公差。 3、径向全跳动、圆柱度、同轴度 a)、径向全跳动公差是一项综合控制指标,对单一要素的径向全跳动就是圆柱度。但对关联要素的径向全跳动则可以同时控制圆柱度误差和同轴度误差。所以不能简单地把径向全跳动与圆柱度等同起来。有圆柱度误差必导致有径向全跳动误差,同样有同轴度误差也必导致有径向全跳动误差(见下图)。
b)、取代用法 ★对单一要素和圆柱表面的全跳动误差的检测,如受到零件结构或检测设备的限制,可用素线的平行度和圆度代替(如图a与b的标注等价)。
对关联要素的全跳动可用素线的平行度,圆度以及同轴度多项分别代替控制(如图a与b的标注等价)。
当径向全跳动无法检测时,如果圆柱度检测手段比较成熟或具备先进测量仪器时,关联要素径向全跳动还可以用圆柱度与同轴度代替。 受尺寸公差带限制的形位公差: 1、平面度和直线度
2、圆柱度
3、圆度
4、平面间、圆柱表面的轴线之间以及轴线与平面之间的平行度 

5、给定方向的平行度
6、某位置由定位尺寸给出的要素的同轴度
7、对称度 
8、位置度 
消息,据 Gate 数据,美股股指期货、现货金银跳水,国际原油快速拉升,WTI 原油涨幅扩大至...
2 FTX创始人SBF获惊人成就消息,据推称:FTX 创始人 Sam Bankman-Fried 在社交媒体上发布了一条简短信息,内容为Astounding ...
3 特斯拉投资SpaceX200亿美元消息,据Watcher.Guru发推称:特斯拉向SpaceX投资20亿美元,埃隆马斯克旗下两家公司加强资本联系...
4 1998枚比特币转入Kraken消息,据Whale Alert发推称:未知钱包向 Kraken 转移了 1998 枚比特币,价值约 1.57 亿美元。...
5 美司法部指控OpenAI前员工内幕交易消息,据Anthony Pompliano ?发推称:美国证券交易委员会主席 Gary Gensler 表示,加密货币市场中的...
6 OpenClaw和Hermes等项目已明确纳入GLM Coding消息,智谱产品主管 Zixuan Li 在 X 平台发文表示,OpenClaw,Hermes 以及 SillyTavern 目前已明确标记...
7 OpenAI:计划2030年前实现30GW算力消息,据官方消息,OpenAI 2025 年 1 月曾承诺产生 10GW 算力,已完成 8GW。目前计划到 2030 年实现...
8 华尔街呼吁美国证交会解除对私人资产交4月22日消息,一些华尔街大型另类资产管理公司的游说者正请求监管机构放宽相关规定,允许...
9 635枚BTC从匿名钱包转入Robinhood消息,据Whale Alert发推称:未知钱包向 Robinhood 转移了 635 枚 BTC,价值约 5008.01 万美元。...
10 Qwen:推出开源模型Qwen3.627B消息,据官方消息,Qwen 推出最新开源稠密模型 Qwen3.6-27B。该模型具备旗舰级编程能力,在所有...
成都来彰科技 蜀ICP备2025134723号-1
资讯来源互联网,如有版权问题请联系管理员删除。