产业机器人一般由主构架(手臂)、手腕、驱动系统、丈量系统、控制器及传感器等组成。图1是产业机器人的典型结构。机器人手臂具有3个自由度(运动坐标轴),机器人作业空间由手臂运动范围决定。手腕是机器人工具(如焊枪、喷嘴、机加工刀具、夹爪)与主构架的连接机构,它具有3个自由度。驱动系统为机器人各运动部件提供力、力矩、速度、加速度。丈量系统用于机器人运动部件的位移、速度和加速度的丈量。控制器(RC)用于控制机器人各运动部件的位置、速度和加速度,使机器人手爪或机器人工具的中心点以给定的速度沿着给定轨迹到达目标点。通过传感器获得搬运对象和机器人本身的状态信息,如工件及其位置的识别,障碍物的识别,抓举工件的重量是否过载等。

图1 产业机器人的典型结构
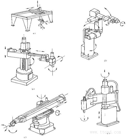
产业机器人运动由主构架和手腕完成,主构架具有3个自由度,其运动由两种基本运动组成,即沿着坐标轴的直线移动和绕坐标轴的回转运动。不同运动的组合,形成各种类型的机器人(如图2):①直角坐标型(如图2a是三个直线坐标轴);②圆柱坐标型(如图2b是两个直线坐标轴和一个回转轴);③球坐标型(如图2c是一个直线坐标轴和两个回转轴);④关节型(如图2d是三个回转轴关节和图2e是三个平面运动关节)。

a)直角坐标型 b)圆柱坐标型 c)球坐标型 d)多关节型 e)平面关节型
图2 产业机器人的基本结构形式
比特币价格在周三突破79000美元后回落至78000美元,投资者开始获利了结。然而,衍生品数据显...
2 日本财务大臣片山皋月:各国财长关注中消息,日本财务大臣片山皋月近期连续发表以下观点:一、各国财长正谨慎关注中东局势二、...
3 乌兹别克斯坦推出Besqala矿业谷,提供10年乌兹别克斯坦在总统沙夫卡特米尔济约耶夫签署的法令下,推出了Besqala矿业谷,作为专门的矿...
4 1.04亿PYUSD从Ethena转至未知钱包消息,据Whale Alert发推称:Ethena 将 1.04 亿枚 PYUSD转移至一个未知钱包地址。...
5 前OpenAI工程师创立Blackstar完成1200万美元种消息,前 OpenAI Codex 团队工程师 Daniel Edrisian 宣布离职并创立 AI 硬件公司 Blackstar Computers,公司...
6 Chich1217发布全面分析报告消息,据CryptoQuant发推称:美国证券交易委员会主席加里根斯勒表示,加密货币交易所和中介机...
7 HTX发布USDD深度研究报告:正成为新一代去消息,加密资产交易平台HTX近日发布《USDD深度研究报告》,报告指出,去中心化稳定币USDD已完...
8 币界午讯 香港稳定币牌照发放仅为开端04月23日日消息: 1. 香港稳定币牌照发放仅为开端。 2. Solana Mobile第一季SKR空投关闭,未领取...
9 乐观情绪消退,亚洲股市回吐涨幅消息,亚洲市场开盘时表现非常强劲且活跃,尤其是日本和韩国。但现在,部分亚洲市场已回...
10 Naval Ravikant 推出 USVC 基金,最低 500 美元消息,知名天使投资人 Naval Ravikant 正式推出风险投资基金 USVC,面向普通零售投资者开放,最...
成都来彰科技 蜀ICP备2025134723号-1
资讯来源互联网,如有版权问题请联系管理员删除。