常见的带有按键的塑胶产品有手机、MP3、相机等;旋钮之类等,在设计这些按键和旋钮之类的产品,可以使用以下资料做参考。
1、按键的设计
1.1 按键(Button)大小及相对距离要求
从实际操作情况分析,结合人体工程学知识,在操作按键中心时,不能引起相邻按键的联动,那么相邻按键中心的距离需作如下考虑:
1)竖排分离按键中,两相邻按键中心的距离a≥9.0mm
2)横排成行按键中,两相邻按键中心的距离b≥13.0mm
3)为方便操作,常用的功能按键的最小尺寸为:3.0×3.0mm

图1
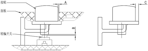
1.2按键(Button)与基体的设计间隙

图2
按键与面板基体的配合设计间隙如图2所示:
1)按钮裙边尺寸C≥0.75mm,按钮与轻触开关间隙为B=0.20mm;
2)水晶按钮与基体的配合间隙单边为A=0.10-0.15mm;
3)喷油按钮与基体的配合间隙单边为A=0.20-0.25mm
4)千秋钮(跷跷板按钮)的摆动方向间隙为0.25-0.30mm,需根据按钮的大小进行实际模拟;非摆动方向的设计配合间隙为A=0.2-0.25mm;
5)橡胶油比普通油厚0.15 mm,需在喷普通油的设计间隙上单边加0.15 mm,如喷橡胶油按键与基体的间隙为0.3-0.4mm;
6)表面电镀按钮与基体的配合间隙单边为A=0.15-0.20mm;
7)按钮凸出面板的高度如图3所示:
普通按钮凸出面板的高度D=1.20-1.40mm,一般取1.40mm;
表面弧度比较大的按钮,按钮最低点与面板的高度D一般为0.80-1.20mm

图3
2、旋钮的设计
2.1旋钮(Knob)大小尺寸要求
旋钮(Knob)大小尺寸要求见如下所示

图4
2.2两旋钮(Knob)之间的距离
两旋钮(Knob)之间的距离大小:C≥8.0mm。

图5
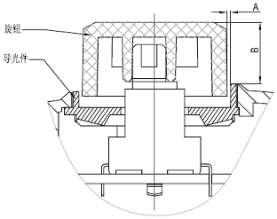
2.3旋钮(Knob)与对应装配件的设计间隙
1)旋钮与对应装配件的设计配合单边间隙为A≥0.50mm,如图6所示;
2)电镀旋钮与对应装配件的设计配合单边间隙为A≥0.50mm;
3)橡胶油比普通油厚0.15 mm,需在喷普通油的设计间隙上单边增加0.15 mm。
4)旋钮凸出面板基体或装饰件最高点的高度为9.50≥B≥8.00mm。

图6
Bitcoin Hyper 是一个全新的比特币二层解决方案,目前已在预售阶段筹集了 2950 万美元。该项目旨...
2 Solana 交易量在黄金十字配置下飙升 40%Solana 的交易量在 24 小时内飙升超过 40%,达到 31 亿美元,其价格上涨 1.6% 至 132.9 美元,图表上...
3 最新行情晚报:BTC比特币价格跌破86000美XBIT Wallet数据来源,比特币bitcoin今日价格行情,BTC比特币最新价格跌落至$85985.68,24小时跌幅达...
4 Solana 2025 年使用量排行榜位居榜首——那2025年即将结束,Solana 在排名前五的加密资产中表现最差,年跌幅超过30%,而以太坊 的跌幅仅...
5 Sky Protocol上周斥资190万USDS回购3410万枚S消息,据官方消息,Sky Protocol 披露上周已斥资 190 万 USDS 回购 3410 万枚 SKY 代币,平均每天使用...
6 今日 10 只美国比特币 ETF 净流入 104 枚消息,12 月 15 日,据 Lookonchain 监测,截止于发稿,今日比特币 ETF 净流入 104 枚 BTC,以太坊...
7 Aave DAO反对协议前端费用不再流向财库12月15日消息,Aave DAO内部的一场争论引发关于谁控制该协议界面以及谁从中获得经济利益的疑...
8 SEC今日举办比特币加密圆桌会议消息,据BitcoinTreasuries发推称:美国证券交易委员会今日将举办比特币与加密货币圆桌会议,美...
9 Bitcoin Bancorp计划从2026年第一季度开始在德Bitcoin Bancorp计划从2026年第一季度开始在德克萨斯州部署多达200台获得许可的比特币ATM机,并指...
10 Marygold Companies旗下USCF Investments子公司推出玛丽戈尔德公司旗下子公司USCF Investments在纽约证券交易所Arca市场推出了USCF石油加比特币策略...
成都来彰科技 蜀ICP备2025134723号-1
资讯来源互联网,如有版权问题请联系管理员删除。