当前位置:主页 > 快讯 >

锻造结构设计:锤锻件法兰的最小锻出厚度

时间:2020-10-21 04:01:11

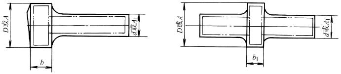
  锻造结构设计:锤锻件法兰的最小锻出厚度 锻造结构设计:锤锻件法兰的最小锻出厚度 与法兰相邻部分的 直径d或边长A1 法兰直径D或边长A <50 50~80 80~120 120~160 160~200 200~250 250~315 315~400 锻件法兰的最小锻出厚度b、b1 b b1 b b1 b b1 b b1 b b1 b b1 b b1 b b1 <40 25 15 30 22 40 30 55 42 40~50 26 20 36 28 50 39 65 51 50~65 23 18 32 25 45 36 60 48 85 65 65~80 28 22 40 33 55 45 80 60 110 80 80~100 23 18 35 30 50 42 75 55 105 75 135 100 100~120 30 26 45 38 65 50 95 70 125 95 120~160 40 33 60 45 85 65 115 90 160~200 50 38 75 58 105 80 200~250 65 50 95 70 250~315 85 60 注:⒈中间法兰按法兰直径D或边长A与相邻的较小直径d或边长A1来确定其最小锻出厚度b1。 ⒉法兰按台阶轴类锻件加放余量后,其厚度值如小于表列数值,则可增大至表列数值后再锻出。

热点推荐
1 RWA L1网络SimpleChain完成1500万美元种子轮融

消息,RWA L1 网络 SimpleChain 宣布完成 1500 万美元种子轮融资,此轮融资由家族办公室和机构投资...

2 美国3月CPI数据出炉

消息,据彭博社发推称:美国3月CPI同比上涨3.5%,核心CPI同比上涨3.8%,均高于市场预期,显示...

3 美国3月CPI大幅上升

消息,美国3月未季调CPI年率录得3.3%,为2024年5月以来新高,符合市场预期。美国3月季调后CP...

4 CPI公布后比特币小幅走强,但仍维持7.2万

美国 3 月通胀数据公布后比特币价格小幅走强,整体来看,3 月 CPI 环比上涨 0.9%,同比上涨 ...

5 比特币波动临近关键节点,Bittensor开发者

比特币和以太坊价格持续窄幅波动,技术指标显示或将迎来最高达 40% 的价格变动。Bittensor 生...

6 美股盘前加密概念股普涨,CRCL上涨1.7%

消息,根据数据,美股盘前加密概念股普涨,CRCL 上涨 1.7%;MSTR 上涨 0.14%;SBET 上涨 0.78%,AB...

7 OKX Ventures与HashKey Capital宣布投资越南新成

OKX Ventures与HashKey Capital宣布投资越南新成立的加密资产交易所CAEX并达成战略合作。该交易所创...

8 Coinbase宣布对其开发的x402协议进行升级,

消息,Coinbase宣布对其开发的x402协议进行升级,正式上线Upto机制。该机制将原有的固定费用模...

9 欧盟两年罚款科技巨头超70亿美元

消息,据CNBC发推称:欧盟两年内对科技巨头罚款超70亿美元,特朗普政府对此表示不满。...

10 Uniswap创始人寻求接入Anthropic技术,拟测试

消息,Uniswap 创始人 Hayden Adams 在社交平台发文询问是否有 Anthropic 相关资源对接,并表示希望...

成都来彰科技 蜀ICP备2025134723号-1

资讯来源互联网,如有版权问题请联系管理员删除。